全国服务热线021-64162222

新闻资讯News center

企业动态阀门首页 > 新闻资讯 > 企业动态 >

涡轮蝶阀D371x-1.6- DN200厂家及供应商

[ 2024-10-12 ]
蝶阀D371x-1.6- DN200是一种常用的工业阀门,它在流体控制系统中起着重要的作用。如果您正在寻找可靠的涡轮蝶阀D371x-1.6- DN200厂家及供应商,我们将向您介绍一家值得信赖的企业。我们的公司是一家专业生产和供应涡轮蝶阀D371x-1.6- DN200的厂家,多年来一直致力于阀门行业的研发和制造。我们拥有先进的生产设备和技术团队,可以保证产品的质量和稳定性。通过严格的质量控制和检测,我们的涡轮蝶阀D371x-1.6- DN200具有优异的性能和可靠的使用寿命。
蝶阀

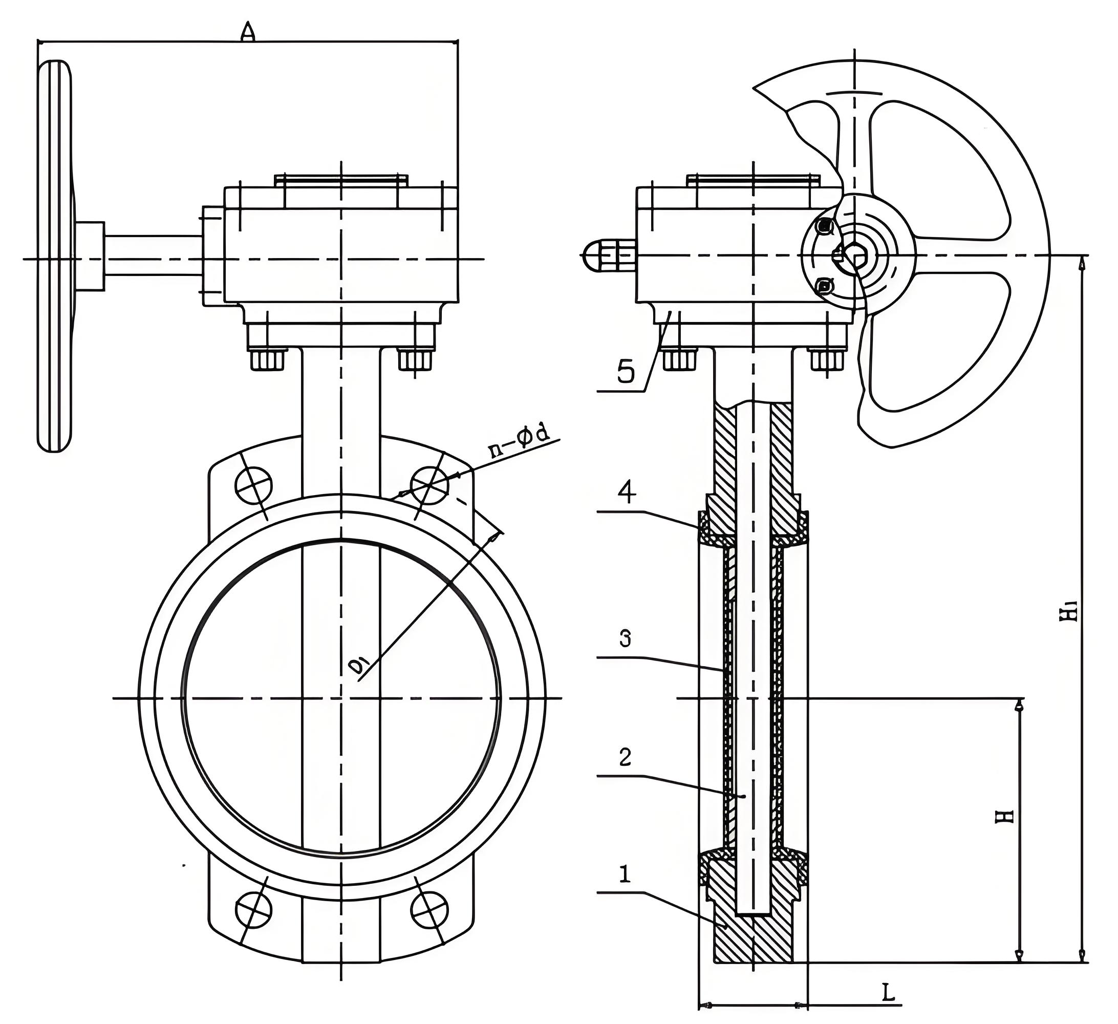
‌涡轮蝶阀D371x-1.6-DN200代表的含义是:这是一种蝶阀,其型号中的字母和数字分别代表不同的含义。‌具体来说,D371x-1.6-DN200中的各个部分含义如下:‌D‌ 代表阀门类型,即蝶阀。 ‌3‌ 代表驱动装置,即蜗轮传动。 ‌7‌ 代表连接方式,即对夹连接。 ‌1‌ 代表结构形式,即中线结构。 ‌X‌ 代表阀座材质,即橡胶材质。 ‌1.6‌ 代表公称压力,即1.6MPa。 ‌DN200‌ 代表阀门的公称直径为200毫米。综上所述,D371x-1.6-DN200是一种直径为200毫米的蝶阀,采用蜗轮传动方式,材质为铸钢,适用于多种工业领域,如石油、煤气、化工、水处理等‌。

蝶阀厂家
作为一家可靠的供应商,我们提供各种规格和型号的涡轮蝶阀D371x-1.6- DN200,以满足不同客户的需求。无论您需要单个阀门还是大批量采购,我们都能够及时交付,并提供竞争性的价格。我们与国内外许多知名企业建立了长期稳定的合作关系,得到了客户的高度认可和信赖。除了优质的产品和及时的交付,我们还提供全方位的售后服务。无论您在产品安装、调试还是维护方面遇到任何问题,我们都将提供专业的技术支持和解决方案。我们的服务团队随时待命,确保您的需求能够得到及时响应。
涡轮蝶阀

我公司涡轮蝶阀的优点

‌1、操作简便‌:涡轮蝶阀的卡箍连接处具有重量轻、螺栓数目少、安置方便的优点,即便是新手也能轻松使用。
‌2、质量可靠‌:涡轮蝶阀的科技含量水平非常高,带有新颖的C型橡胶密封圈,能够实现三重密封,确保连结处的密封性和可靠性。
3‌、使用安全‌:涡轮蝶阀的安装过程中,只需要进行机械组装,无须焊接,没有明火,因此不会出现焊渣等杂物,可确保工地平安,对严禁烟火的工况尤其适合。
4‌、经济实惠‌:由于涡轮蝶阀安装快捷、容易上手,而且安装的返修率低,综合安装成本较普通蝶阀可节省30-50%。
‌5、占用空间小‌:涡轮蝶阀的沟槽式卡箍连接所占空间约为普通法兰的70%,非常适合在空间狭窄的工况中使用。
6、维护简单‌:涡轮蝶阀只要安装妥贴,管道等配件一次试压合格,即可安全运行,平时无须维护,零配件可保用数十年。 ‌
7、适用性强‌:涡轮蝶阀的沟槽式卡箍几乎可以适用市面上所有的无缝钢管、镀锌钢管、焊接钢管、不锈钢管、铜管等金属管材。
8‌、可实现管路的柔性连结‌:涡轮蝶阀的柔性沟槽式卡箍连接可以使管路呈柔性体系,能吸取管子因温度改变发生的长度位移,容许管子有必定偏移角度。
 
 
总之,如果您需要涡轮蝶阀D371x-1.6- DN200的厂家及供应商,我们是您的理想选择。优质的产品、竞争性的价格和全方位的售后服务将为您的业务带来更大的价值。请随时联系我们,我们期待与您的合作!
本文标题:涡轮蝶阀D371x-1.6- DN200厂家及供应商 本文地址:http://www.bahiscinadresi.com/company-news/5852.html

上一篇:DN150-200-250-300-350闸阀现货生产厂家 / 下一篇:配水闸阀PZI-600定制生产厂家,工厂阀门直销