全国服务热线021-64162222

电动执行器阀门首页 > 产品展示 > 电动执行器 >

产品名称:部分回转阀门电动装置[ 2020-05-29 ]

订购热线:021-64162222
订购传真:021-62677999
质量稳定:实行全过程质量监控,细致入微全方位检测!
价格合理:高效内部成本控制,减少了开支,让利于客户
交货快捷:先进生产流水线,充足的备货,缩短了交货期!
  • 产品介绍
  • 规格尺寸
  • 结构图片
  • 一、部分回转阀门电动装置介绍

    上海彩神购彩购彩大厅部分回转阀门电动装置(Q型电装),90 °回转的部分回转阀门电动装置,朝一体型结构发展的最新产品,该阀设计简单易操作,是阀门实现开启、关闭或调节控制的驱动设备,适用于蝶阀、球阀、旋塞阀和风门等做90°回转的阀门。该系列分为:普通型、防爆型、智能整体开关型、智能调节型,非侵入液晶式(带遥控操作器)。它广泛地使用在管道阀门的给排水、供热、电站、化工、食品、纺织、造纸、制药、船舶、钢铁和煤炭等工程。

    二、部分回转阀门电动装置型号表示方法

    型号示例:
    1)Q10-1B表示一体式部分回转,输出转矩100N·m(10kgf·m),输出转速1r/min,隔爆型。
    2)DQ8000-0.26Z叠加结构,输出转矩80000N·m(8000kgf·m),输出转速0.26r/min,整体普通型。


    三、部分回转阀门电动装置结构

    1、电机:户外型采用YDFf型,隔爆型采用YBDFf型阀门专用异步电动机。
    2、减速器由二对正齿轮和蜗轮副组成。
    3、行程控制器采用凸轮机构,凸轮与输出轴同步。
    4、转矩控制器利用蜗杆窜动带动曲拐和摇杆压迫微动开关从而发信。
    5、开度指示器用于现场指示阀门开启程度和远传阀位开度信号。
    6、手电动切换机构为全自动切换,需手动时,直接转动手轮即可操作电动装置,无切换手柄。
     

    四、部分回转阀门电动装置工作环境和主要技术参数

    电源:常规,三相380V(50Hz)
    特殊:三相660V、415V(50Hz、60Hz);
    单相220V、110V(50Hz、60Hz)
    工作环境
    1、环境温度: -20~+60℃  (特殊订货 -40~+80℃)
    2、相对湿度:≤95%(25℃时)
    3、防护类型
    4、户外型:用于无易燃、易爆和无腐蚀性介质的场所;
    5、隔爆型:有dI和dIIBT4两种,dI适用于煤矿非采掘工作面;dIIBT4用于工厂,适用于环境为IIA、IIB级T1-T4组的爆炸性气体混合物。(详见GB3836.1)
    6、防护等级:IP55(特殊订货IP65、IP67)
    7、工作制:短时10分钟(特殊订货30分钟)

     

    五、部分回转阀门电动装置订货须知

    1、 请按型号表示方法写明型号,如有特殊要求,订货时必须说明,若不说明则按本公司规定提供。

    2、 环境具有爆炸性气体必须说明,并必须符合本说明书中防爆标志的规定。

    3、 请写明连接尺寸标准,阀杆直径及伸出长度,若连接尺寸与本说明书不符,可与本公司协商解决。

    4、 手轮顺时针旋转为关阀,如与此相反必须说明。

    5、 所需规格一般由用户选择,若有困难本公司可为用户选型。

     

     

     
     
  • 六、部分回转阀门电动装置选用

    基座号 型号 输出转矩(N·m) 最大阀杆直径(mm) 手动速比 输出转速(r/min)
    0.5 1 1.5 2 3 4
    电机功率(KW)
    Q1 Q10 100 22 88 0.03 0.06 0.09 0.09 0.18 0.18
    Q20 200 28 0.06 0.09 0.12 0.12 0.25 0.25
    Q30 300 0.06 0.12 0.18 0.18 0.37 0.37
    Q40 400 42 0.12 0.18 0.25 0.25 0.55 0.55
    Q2 Q60 600 74 0.18 0.18 0.25 0.25 0.55 0.55
    Q90 900 50 0.18 0.25 0.37 0.37 0.75 0.75
    Q120 1200 0.18 0.37 0.55 0.55 1.1 1.1
    Q3 Q200 2000 60 67 0.37 0.55 0.75 1.1 - -
    Q250 2500 0.55 0.55 0.75 1.1 - -
    Q300 3000 0.55 0.75 1.1 - - -
    Q400 4000 0.55 0.75 - - - -
    Q500 5000 0.75 1.1 - - - -
     
     
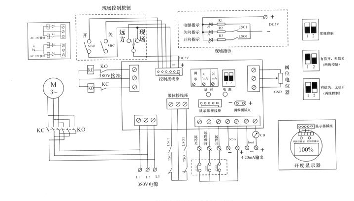
  • 七、部分回转阀门电动装置控制原理图


    部分回转阀门电动装置控制原理图

上一篇:精小型电动执行器 / 下一篇:直行程电动执行器