执行器知识
阀门首页 > 阀门知识 > 执行器知识 > EOA 精小型电动执行器 控制部件使用说明 一、精小型电动执行器概述 精小型 电动执行器 控制部件是一种紧凑型,智能化的调节型电动执行...
一种很奇怪的现象,什么牌子的电动执行器好用呢,哪些地方的电动执行器便宜呢 ,质量可好呢,售后服务周到呢,有时候客户都会怀疑用...
如何正确解决 电动执行器 的故障及解决办法 电动执行器价格, 电动阀门 价格,电动阀价格,产品认证,广受认可,供货快,性能稳定,价格实惠...
阀门电动装置 怎么调限位呢? 上海彩神购彩购彩大厅专业的销售和技术服务团队! 上海彩神购彩购彩大厅阀门有限公司 主营电动阀门执行器、智能型电动执行器、电...
阀门电动装置 如何手动调法呢, 上海彩神购彩购彩大厅阀门 技术专家给你做详细的指导说明 转动手动时,需要切换手柄,当手动状态变为电动时,手动...
角行程电动执行器说明书 角行程电动执行器 是电动执行器中的一种,主要是解决角行程阀门(如球阀,蝶阀,风门等)的驱动问题。角行...
一.指示灯故障 1. 故障现象: 给电动执行机通电后发现电源指示灯不亮,伺放板无反馈,给信号不动作。 故障判断和检修过程: 因电源指...
一、 阀门电动装置 操作前的准备 1.1 操作阀门前,应认真阅读操作说明。 1.2 操作前一定要清楚气体的流向,应注意检查阀门开闭标志。...
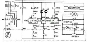
上海彩神购彩购彩大厅阀门有限公司 阀门电动装置 控制箱电气原理图内部检查及检修 1、三相交流接触器的检查及检修。检查三相交流接触器吸合、释放...
上海彩神购彩购彩大厅电动执行器调试设置说明 1 、正确接通 380V AC 电源; 2 、通过远程 / 就地设置按钮选择 LocPar ( 本地参数 ) 设置画面,按下 ENTER 键...