蝶阀知识
阀门首页 > 阀门知识 > 蝶阀知识 > 手动蝶阀是一种常用的控制装置,广泛应用于工业管道系统中。手动蝶阀dn250是指阀门直径为250毫米的手动操作蝶阀。它具有结构简单、体积...
D363H 焊接蝶阀 采用精密的J形弹性密封圈和三偏心多层次金属硬密封结构,被广泛用于介质温度425℃的治金、电力、石油化工、以及给排水和...
本文将为您介绍一份专业的不锈钢阀门蝶阀厂家价格表,以帮助您了解市场行情和选择合适的产品。不锈钢阀门蝶阀是工业管道系统中常用...
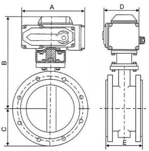
dn700的电动蝶阀安装尺寸是在工程设计和设备安装中非常重要的参数之一。正确的安装尺寸可以保证蝶阀在工作过程中的正常运行,并确保系...
D71X-16C是德特森阀门常用的铸钢蝶阀型号字母分别代表的意思是: D代表阀门类型《蝶阀》 7代表连接方式《对夹》 1代表结构形式《中线》...
DN700的电动蝶阀安装尺寸对于工业管道系统的设计和安装来说,具有重要的意义。蝶阀作为一种常用的流体控制装置,广泛应用于管道系统中...
蝶阀手动改自动延长杆加多长是一种常见的工程需求,旨在增加操作便利性和提高工作效率。蝶阀作为一种常用的流体控制装置,广泛应用...
安装方式区别:法兰蝶阀一般采用法兰连接,通过在管道上单独设置法兰连接的方式安装;而对夹蝶阀则是通过对接夹紧在管道上的对夹法...
封蝶阀配以电动执行器,可实现远距离控制和自动化操作。电动多层次金属密封蝶阀系列产品,系使用时间长、节能型蝶阀。其结构采用三维编...
d941X-16c电动蝶阀的型号意义及结构详细图解 d代表蝶阀。 9代表驱动装置是电动。 4代表阀门与管道的连接方式是法兰连接。 数字1有两种说...