新闻资讯
阀门首页 > 新闻资讯 > 彩神购彩购彩大厅是一家闸阀的生产厂家、制造商。Z41Y法兰锻钢闸阀有三种阀盖设计形式。第一种是螺栓式阀盖,按这种设计的阀...
尊敬的客户,感谢您对我们公司的关注。我们很荣幸地宣布,我们最新研发的电动闸阀Z941H-16C DN80新品已经问世,并且我们对其价格进行了优...
彩神购彩购彩大厅是一家煤气闸阀生产,阀门厂家有哪些品牌,煤气阀哪个牌子质量好是煤气系统中起关键作用的装置之一,选择...
上海彩神购彩购彩大厅阀门煤矿本安型电动阀门现货生产厂家,煤矿行业作为我国能源开采的重要组成部分,对生产设备的安全性和可靠性有着极高的要...
彩神购彩购彩大厅是电动阀门专业生产厂家,主营产品:电动阀门,电动蝶阀,电动球阀,电动排泥阀,电动调节阀,电动闸阀等产品,质量保...
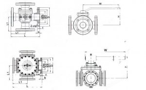
不锈钢三通四通球阀是一种常见的工业管道设备,它具有高强度、耐腐蚀等优点,被广泛应用于各个领域。作为一家专业的不锈钢三通四通...
十堰不锈钢三通球阀厂家供货,三通球阀厂家安装方便。不锈钢三通球阀作为一种重要的管道连接件,广泛应用于石油、化工、冶金、电力...
本文将介绍三通球阀厂家和三通调节电动球阀厂家的相关信息。作为专业制造商,我们致力于提供高质量的产品和优质的服务。 三通球阀是...
在现代工业领域中,z941h电动闸阀是一种常见的控制装置,广泛应用于液体、气体等介质的流量控制。z941h电动闸阀厂家为市场提供了各种规...
彩神购彩购彩大厅是专业的矿用电动闸阀,电动对夹式蝶阀,矿用瓦斯专用蝶阀厂家,公司是专业从事各种类阀门电动装置、电动阀门...