法兰闸阀
阀门首页 > 产品展示 > 闸阀 > 法兰闸阀 > 





| 设计与制造 | GB/T12234 | |
| 连接端尺寸 | 结构长度 | GB/T12221 |
| 法兰尺寸 | JB79 | |
| 检验与试验 | JB/T9092 | |
| 材 料 | 碳钢 | GB/T12229 |
| 不锈钢 | GB/T12230 | |
| 阀体� | 闸板 | 阀杆 | 密封面 |
| 不锈钢、碳钢、灰铸铁 | 不锈钢 | 不锈钢 |
橡胶、四氟、不锈钢、硬质合金 |
| 公称压力PN(MPa) |
公称通径 DN(mm) |
标准值 | 参考值 | ||||||||||
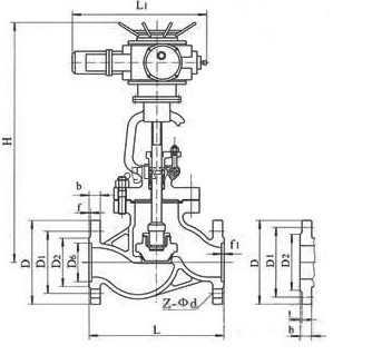
| L | D | D1 | n2 | D6 | b | f | f1 | Z-φd | L1 | H | 质量(kg) | ||
| 1.6 | 50 | 230 | 160 | 125 | 100 | 16 | 3 | 4-φ18 | 590 | 645 | 48 | ||
| 65 | 290 | 180 | 145 | 120 | 18 | 3 | 4-φ18 | 590 | 690 | 60 | |||
| 80 | 310 | 195 | 160 | 135 | 20 | 3 | 8-φ18 | 590 | 715 | 65 | |||
| 100 | 350 | 215 | 180 | 155 | 20 | 3 | 8-φ18 | 590 | 770 | 71 | |||
| 125 | 400 | 254 | 210 | 185 | 22 | 3 | 8-φ18 | 590 | 780 | 119 | |||
| 150 | 480 | 280 | 240 | 210 | 24 | 3 | 8-φ23 | 590 | 810 | 210 | |||
| 200 | 600 | 335 | 295 | 265 | 26 | 3 | 12-φ23 | 810 | 967 | 320 | |||
| 250 | 622 | 405 | 355 | 320 | 30 | 3 | 12-φ25 | 810 | 1143 | 550 | |||
| 300 | 698 | 460 | 410 | 375 | 30 | 4 | 12-φ25 | 830 | 1292 | 785 | |||
| 2.5 | 50 | 230 | 160 | 125 | 100 | 20 | 3 | 4-φ18 | 590 | 645 | 50 | ||
| 65 | 290 | 180 | 145 | 120 | 22 | 3 | 8-φ18 | 590 | 690 | 65 | |||
| 80 | 310 | 195 | 160 | 135 | 22 | 3 | 8-φ18 | 590 | 715 | 67 | |||
| 100 | 350 | 230 | 190 | 160 | 24 | 3 | 8-φ23 | 590 | 770 | 73 | |||
| 125 | 400 | 270 | 220 | 188 | 28 | 3 | 8-φ25 | 590 | 780 | 127 | |||
| 150 | 480 | 300 | 250 | 218 | 30 | 3 | 8-φ25 | 810 | 810 | 215 | |||
| 200 | 600 | 360 | 310 | 278 | 34 | 3 | 12-φ25 | 810 | 967 | 322 | |||
| 250 | 622 | 425 | 370 | 332 | 36 | 3 | 12-φ30 | 830 | 1143 | 585 | |||
| 300 | 698 | 485 | 430 | 390 | 40 | 4 | 16-φ30 | 830 | 1292 | 795 | |||
| 4.0 | 50 | 230 | 160 | 125 | 100 | 88 | 20 | 3 | 4 | 4-φ18 | 590 | 645 | 61 |
| 65 | 290 | 180 | 145 | 120 | 110 | 22 | 3 | 4 | 8-φ18 | 590 | 690 | 75 | |
| 80 | 310 | 195 | 160 | 135 | 121 | 22 | 3 | 4 | 8-φ18 | 590 | 715 | 84 | |
| 100 | 350 | 230 | 190 | 160 | 150 | 24 | 3 | 4.5 | 8-φ23 | 590 | 770 | 101 | |
| 125 | 400 | 270 | 220 | 188 | 176 | 28 | 3 | 4.5 | 8-φ25 | 810 | 782 | 207 | |
| 150 | 480 | 300 | 250 | 218 | 204 | 30 | 3 | 4.5 | 8-φ25 | 810 | 875 | 226 | |
| 200 | 600 | 375 | 320 | 282 | 260 | 38 | 3 | 4.5 | 12-φ30 | 810 | 1160 | 399 | |
| 6.4 | 50 | 300 | 175 | 135 | 105 | 88 | 26 | 3 | 4 | 4-φ23 | 590 | 710 | 64 |
| 65 | 340 | 200 | 160 | 130 | 110 | 28 | 3 | 4 | 8-φ23 | 590 | 750 | 77 | |
| 80 | 380 | 210 | 170 | 140 | 121 | 30 | 3 | 4 | 8-φ23 | 590 | 785 | 86 | |
| 100 | 430 | 250 | 200 | 168 | 150 | 32 | 3 | 4.5 | 8-φ25 | 810 | 837 | 171 | |
| 125 | 500 | 295 | 240 | 202 | 176 | 36 | 3 | 4.5 | 8-φ30 | 810 | 1031 | 243 | |
| 150 | 550 | 340 | 280 | 240 | 204 | 38 | 3 | 4.5 | 8-φ34 | 830 | 1066 | 296 | |
| 200 | 650 | 405 | 345 | 300 | 260 | 44 | 3 | 4.5 | 12-φ34 | 830 | 1213 | 420 | |
| 10.0 | 50 | 300 | 195 | 145 | 112 | 88 | 28 | 3 | 4 | 4-φ25 | 590 | 714 | 81 |
| 65 | 340 | 220 | 170 | 138 | 110 | 32 | 3 | 4 | 8-φ25 | 590 | 734 | 102 | |
| 80 | 380 | 230 | 180 | 148 | 121 | 34 | 3 | 4 | 8-φ30 | 810 | 847 | 175 | |

上一篇:防爆电动法兰闸阀 / 下一篇:z941h-16c电动法兰闸阀